产品展示

返回

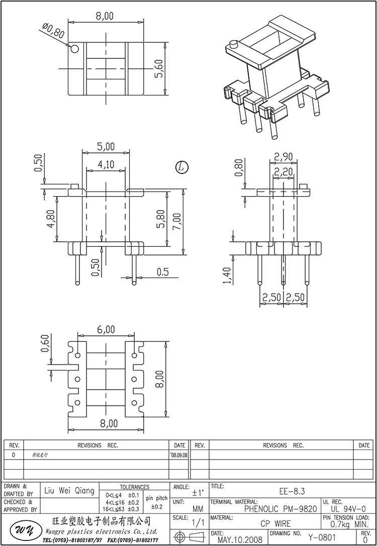
Y-0801/EE8.3(6P)

详细